Einleitung

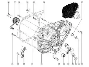
Il existe plusieurs modèles de boîte JE3 00x. Toutes ont la même consititution et seul le nombre de dents sur certains pignons diffère selon les modèles, ce qui leur donne des ratios différents.

  1. rPEqBCTPYoLM4YNv
    • 2: circlip, 3: roulement, 4: rondelle d'appui, 5: bague, 6: pignon fou de 5e

    • 190 N.m

  2. sxGAAdZuexGkpsKb
    • 80 N.m

    • On notera la denture droite de la marche arrière contrairement à l'ensemble des autres pignons.

  3. cdXtIMMWFB1FrPRS
    • 1: différentiel, 2 et 3: roulements à rouleaux coniques, 4 et 5: bagues d'étanchéité

  4. tleVLC6YLcQIiF2O
    • Le contrepoids (3) est déconnectable si l'utilisateur souhaite un ressenti de boîte plus précis et moins lesté. Celui-ci devra dans ce cas être bloqué pour qu'il ne balotte pas.

  5. BQjK2gaRZOTf1JiG
    • Selon la motorisation, le paumeau est différent.

  6. FtWmqnHfRxDVHrgW
    • Insérer un commentaire.

  7. VSQeALUvTR4JARJF
    • Insérer un commentaire.

  8. ExOOaiaEGdfxMqMU
    • Insérer un commentaire.

AntonioBiscuit

Mitglied seit: 24/08/22

3637 Reputation

0 Kommentare