Einleitung

This is a basic procedure to diagnose problems with most of the critical components of the Barista SIN006 without opening the unit:

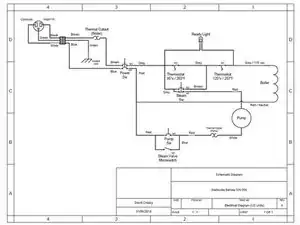
Switch Operation

  • Main Power
  • Pump
  • Steam Switch (Boiler)
  • Steam Valve Microswitch (Pump)
  • Boiler heat coil resistance (approx. 16 Ohms)
  • Pump coil resistance (varies a lot 1.6 M Ohms to open circuit - not a comprehensive test)

Thermostat boiler switches:

  • Heat (95°c for espresso)
  • Steam (125°c for steam)

Begin with the machine unplugged, cold, all switches in the off position.

  1. 2ipRBOU15XtA51XZ
    • Unplug the machine, turn all switches to the off position. The unit should be cold (Ready light off)

    • Set the multimieter to test resistance (Ohms). Connect one of the test leads to the power plug Ground prong (rounded prong) of the machine.

    • Touch the other lead of the multi-meter to the espresso machine chasis. Resistance should measure very low - near zero Ohms.

    • Connect the leads of the multi-meter across the Line and Neutral prongs of the power plug and perform the following continuity tests:

    • Line (Black) to chassis Ground - should be open circuit (no continuity) - any other result would be a serious fault condition, the machine should not be operated.

    • Neutral (White) to chassis Ground - should be open circuit (no continuity) - any other result would be a serious fault condition, the machine should not be operated.

    • Main Power Switch Off = should be an open circuit, no continuity. Pressing any switches other than the power switch should have no effect, there should be no continuity (open circuit)

    • Main Power Switch On = 16 Ohms (approx.) – this is the resistance through the boiler heating coil, and the thermal fuse that protects the boiler from overheating, and the main power switch. If the thermal fuse is blown, or the power switch is bad, the circuit will be open - no continuity.

    • Main Power Switch On - plus any combination of other switches = 16 Ohms – this only measures the boiler resistance and verifies there are no shorts in the other circuits. It will not reveal any open circuits in the other circuits. The following procedures will test those circuits.

    • If the previous tests passed, the following components should be working: Electrical wiring ( no faults: ground fault shorts/open circuits) Main power switch normal Boiler heater coil normal Boiler thermal protector fuse normal

    • Proceed to the next set of tests.

    • Plug the machine into wall power (preferably a GFCI wall plug that will trip on any ground faults) and turn on the main power.

    • Main Power Switch On = The boiler should be heating. Note: If the GFCI circuit protector trips, or a circuit breaker blows, do not proceed with any of the tests below which require a working boiler circuit. Resolve those issues before proceeding.

    • Main Power On + Steam Valve On = The pump should run; the boiler should be heating, the Ready light should be Off. If the pump doesn’t run, it will be necessary to open the unit for closer inspection and troubleshooting – the problem could be a bad connection, blown thermal fuse on the pump, or a defective pump.

    • Note: If the pump runs but doesn’t pump water through the steam valve, do not proceed with any of the further tests until the issue is resolved. This is most likely a problem with the pump or pinched tubing. Testing without an operational pump can overheat the unit and damage components.

    • Note: Always use the Steam valve to prime the unit after cleaning (or running out of water) – this bypasses any back-pressure caused by the portafilter and fills the boiler with water. Once the pump is primed, run some additional water through the portafilter to verify it’s not clogged.

    • Main Power On + Pump On = The pump should run; the boiler should be heating, the Ready light should be Off while the water is heating.

    • Main Power On + Ready light On = The 95 deg. thermostat has tripped, turning on the Ready light.

    • If the previous tests passed, immediately unplug the machine and perform the following continuity checks while the 95 deg thermostat is still in the tripped condition. The thermostat will take several minutes to cool and reset to the closed condition.

    • Reconnect the multi-meter across power plug (Line and Neutral) for the following tests:

    • Main Power Off = Open circuit, no continuity

    • Main Power On = Open circuit – the 95 deg. thermostat should be tripped (open), the boiler and pump are not in the circuit; any other result would be a fault condition.

    • Main Power On + Pump On and/or Steam Valve open = Very high resistance (varies) from 1.6 Meg. Ohm to open circuit – this can vary, it’s not a conclusive test. A low resistance (16 Ohms) could indicate the thermostat has closed (cooled) or malfunctioned - and the boiler is in the circuit. A higher resistance could indicate a problem with the pump.

    • Main Power On + Steam Switch On = 16 Ohms – The boiler is in the circuit and the 125 deg. thermostat is calling for heat; any other result would be a fault condition – an open circuit would indicate a problem with the steam switch or 125 deg. thermostat.

    • If the previous tests all pass, plug the machine into the wall outlet and run water through the steam valve until the Ready light goes out (to cool the boiler). Turn off the power and close the steam valve. The electrical components should be operating normally.

    • If there are problems with water flow, the unit should be disassembled for thorough cleaning.

    • Always use the Steam valve to prime the unit after cleaning (or running out of water) – this bypasses any back-pressure caused by the portafilter and fills the boiler with water. Once the pump is primed, run some additional water through the portafilter to verify it’s not clogged.

    • If the pump won't prime using the Steam valve, there could be a problem with a plugged or pinched tube; there could be a bad wire connection, the thermal protection for the pump could be blown, or the pump could be defective.

    • If water runs slowly through the portafilter, test without the portafilter. If it still runs slowly, clean the shower head. If it runs normally without the portafilter, disassemble and clean the portafilter.

    Everything checks out, but, the pump won’t work with the steam switch pushed-in, so the steam is depleted within seconds, once water in the boiler is empty.

    zutanz -

Abschluss

If the previous tests all pass, plug the machine into the wall outlet and run water through the steam valve to cool the boiler, until the Ready light goes out. Turn off the power and close the steam valve. The electrical components should be operating normally.

If there are problems with water flow, the unit should be disassembled for thorough cleaning.

Dave Crosby

Mitglied seit: 30/09/16

295 Reputation

20 Kommentare

Hi Dave, just purchased a used Starbucks Barista machine. I don’t see an open area in the portafilter where the coffee passes to the cup. Am I missing something? I assume pressurized filtering fits in there somewhere forcing the liquid through to the cup.

Can you you shed some light on a new Barista-to-be?

thanks, Robert

Robert Woods -

Robert, I’m having trouble understanding your question. on the outside of the portafilter are two outlet holes on the bottom where the espresso exits. On the inside the water passes through the grounds in the stainless steel filter. If you remove the filter, you see the hole in the center of the portafilter where the espresso passes through the inner chamber of the portafilter, which contains a pressure relief mechanism. The inner chamber can become very plugged up with espresso oils over time, becoming a tar-like sediment. This needs to be maintained by cleaning your machine on a regular basis, or by disassembling and cleaning if it becomes plugged.

Dave Crosby -

Hi Dave, I have a Barista Machine that my dad left behind. I’ve watched a few videos on how to use it (priming and such) but there’s no water flow from the group head into the porta filter. The steam function works fine however.

Any help would be appreciated.

Kathleen Saint Amour -

Hi Kathleen,

If the steam works, that means the pump is good. So most likely the porta filter or screen, or boiler valve is plugged. First remove the Porta filter and disassemble the screen, cleaning everything thoroughly. That may be all you need to do - try running water through the pump after cleaning. If that doesn’t work, try this procedure: prime the machine through the steam valve, remove the Porta filter, heat the steam til the light comes on, then run the pump to see if the heat and pressure will clear the blockage. If that still doesn’t work, you’ll need to completely disassemble and clean the boiler assembly and valve. That’s a bit of a job, so let’s hope one of the previous tips will do the trick.

Dave Crosby -

Hi Dave,

I have an older machine (pre Saeco on the back cover) and am getting no steam/water from the steam wand. The switch is working properly and I took the steam needle valve assembly out and all looks good and the wand itself is open. When I open the steam knob the pump comes on and water flows from the head, which I’m guessing is point of least resistance. Just put a new pump in and have plenty of pressure at the head for a nice crema topped espresso. Thanks for your help.

David Seidenberg -

Hi David,

It sounds like the check valve in the head is not working - if the valve is stuck open, when you turn on the pump and open the steam valve, the water would flow from the head instead of the steam valve. That’s my guess. You could test it by using something to plug the outlet of the head while you turn on the steam wand and pump - just do it with cold water - don’t burn yourself.

Dave Crosby -

Thanks for the quick reply. Thought that might be it. Am correct in saying the valve is really just a spring and a ball above the head? How do I get to it?

Thanks,

David Seidenberg -

Dave,

I am able to brew, water flows from the steam wand however, when I switch it to steam, no steam will come out of the wand and the machine will turn off completely. I have to wait for it to cool down to be able to brew again. I have not been using the steam because I don’t want the machine shutting down.

Thank you,

Sheila

sheilamoo -

I should mention the machine is a Starbucks Batista early 2000’s

sheilamoo -

Hi Sheilamoo,

Is your Barista a SIN 006 model? Perhaps I’m misunderstanding your question - if water flows from the steam wand, then steam should also flow from the wand. Does the pump run when you open the steam valve? What do you mean by “the machine will turn completely off”? Does it trip a circuit breaker? Perhaps you could follow the test sequence given here and post the results of each step. That would give some clarification of exactly what’s happening. Perhaps you could clarify which of the following steps is not working.

1. when you press the power button it should begin to heat the water for espresso.

2. When you press the pump button, water should flow through the portafilter

3. When you depress the pump button water should stop flowing through the portafilter

4. When you press the Steam button, the water should start to heat for the steam cycle

5. When you open the Steam valve, steam should flow from the wand

Dave

Dave Crosby -

Hello my basket that holds the grounds is stuck I can not remove it. Any suggestions?

violalorius -

Hi Dave

I have a Saeco Athena…my Main powerswich burned out…I managed to find a new switch and replaced it but it still does not work. The new switch light comes on but the brew buttons do not work. Is there some else I need to replace?

Larry Salvato -

Power is on and nothing happens. Was giving to me so know nothing about it. It is a starbuck saeco

Nora Neese -

Hi Nora, that’s not really enough information to offer any advice. Follow the troubleshooting steps and see if you can provide some additional information.

Dave Crosby -

I have checked power cord and that has power and I replaced the on /off switch but will not turn on at all. It is a starbuck saeco barista sin 006.

Nora Neese -

Where can I get a thermal cut out for my barista saeco sin006

Nora Neese -

I was thinking of using a spare pump and making a twin pumper. Any thoughts

David Bigelow -

Thank you. I got this espresso machine during college. I just don't want to part with it.

Tony -

Hi Dave. I have an early 2000's Barista. It has worked very well until a few months ago. I can still brew espresso perfectly fine. However, I am unable to produce any steam or water from the steam wand. I recall hearing a click when turning the steam knob before this problem developed. The steam knob turns but does not appear to be making an internal connection with the steam wand. The steam wand does not get hot, and I believe it was very hot to the touch previously. I have unscrewed the steam knob and put it back on but I cannot get it to "click" back in to position. assuming that is the problem.

KCda -

Hi KCda, it sounds like the set screw for the steam knob has loosened so that it doesn’t operate the valve when you turn the knob. It should be an easy fix. Just screw the knob all the way in then locate the set screw in the shaft of the steam valve and tighten it down. If I remember correctly you have to take the cover off the machine to get to the screw inside. The knob does two things, opens the valve, and actuates the pump, they both have to happen to work properly. Hope that helps.

Dave Crosby -