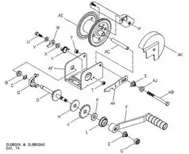
Wesco Industrial Lift WDPL-54-2630 Repair
WESCO industrial lift table commonly used by Home Depot Tool Rental Centers to move tools.